SCT’s Eaton Vickers 2-Way Finisher is designed for accurate final-pass machining of standard 2-way cavity profiles. Featuring a brazed carbide tip and precision-ground geometry, this tool ensures clean surface finishes, proper depth control, and reliable sealing surfaces. Use after roughing to bring Eaton Vickers cavities to exact spec and maintain consistent hydraulic performance.
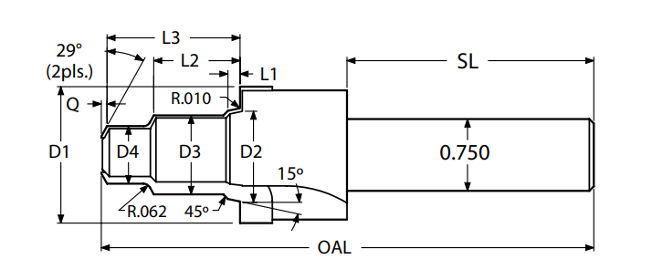
Eaton Vickers Finisher 2-Way Cavity Tool
| D1 | D2 | D3 | D4 | L1 | L2 | L3 | Q | OAL | SL | Flutes | Tool # | Uncoated EDP # | AlTiN+ EDP # |
|---|---|---|---|---|---|---|---|---|---|---|---|---|---|
| 1.188 | 0.814 | 0.688 | 0.501 | 0.108 | 0.750 | 1.188 | 0.050 | 4.00 | 2.00 | 3 | C-8-2-FINISH-X6 | 400373 | 400375 |
| 1.188 | 0.946 | 0.812 | 0.626 | 0.108 | 0.934 | 1.312 | 0.060 | 4.00 | 2.00 | 3 | C-10-2-FINISH-X6 | 400361 | 400363 |
| 1.500 | 1.149 | 0.975 | 0.938 | 0.138 | 1.375 | 1.825 | 0.075 | 5.25 | 2.25 | 4 | C-12-2-FINISH-X8 | 400372 | 400374 |
| 1.750 | 1.401 | 1.234 | 1.127 | 0.138 | 1.344 | 1.844 | 0.075 | 5.50 | 2.25 | 4 | C-16-2-FINISH-X8 | 400384 | 400386 |