SCT’s Eaton Vickers 4-Way Rougher is built for high-efficiency stock removal in standard 4-way cavity profiles. This brazed carbide-tipped tool features coolant holes in every flute to optimize chip evacuation, minimize heat, and support stable cutting conditions. Ideal for hydraulic manifold production, it’s the first step in achieving clean, accurate Eaton Vickers cavities ready for finishing.
Eaton Vickers Rougher 4-Way Cavity Tool
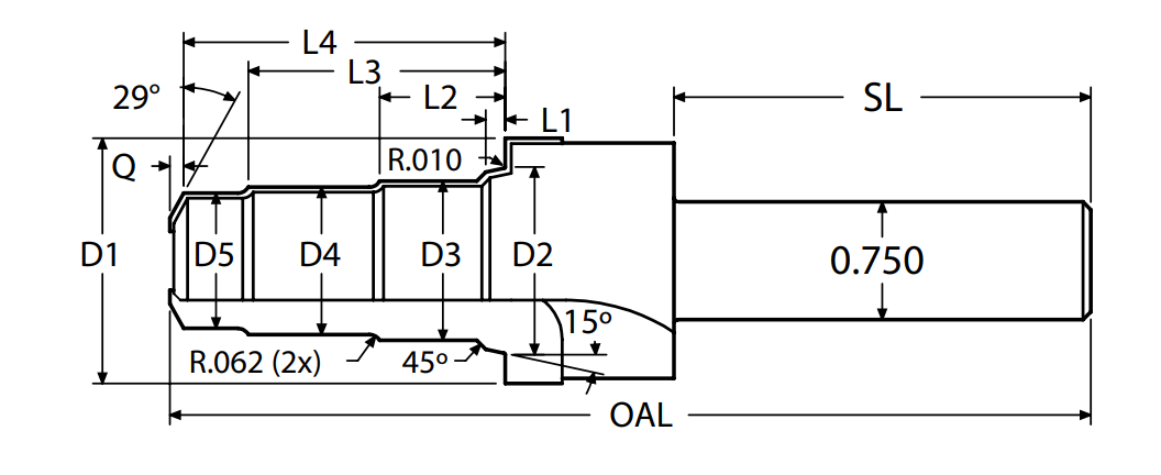
| D1 | D2 | D3 | D4 | D5 | D6 | L1 | L2 | L3 | L4 | L5 | Q | OAL | SL | Flutes | Tool # | Uncoated EDP # | AlTiN+ EDP # |
|---|---|---|---|---|---|---|---|---|---|---|---|---|---|---|---|---|---|
| 1.168 | 0.794 | 0.668 | 0.606 | 0.543 | 0.481 | 0.108 | 0.718 | 1.27 | 1.830 | 2.21 | 0.050 | 5.50 | 2.12 | 3 | C-8-4-ROUGH-X6 | 400400 | 400406 |
| 1.168 | 0.926 | 0.792 | 0.731 | 0.669 | 0.606 | 0.108 | 0.872 | 1.50 | 2.125 | 2.50 | 0.060 | 5.50 | 2.12 | 3 | C-10-4-ROUGH-X6 | 400393 | 400395 |
| 1.480 | 1.129 | 0.955 | 0.918 | 0.856 | 0.793 | 0.138 | 1.375 | 2.28 | 3.175 | 3.63 | 0.075 | 7.00 | 2.25 | 4 | C-12-4-ROUGH-X8 | 400332 | 400334 |
| 1.730 | 1.381 | 1.214 | 1.107 | 1.044 | 0.982 | 0.138 | 1.344 | 2.47 | 3.594 | 4.09 | 0.110 | 7.25 | 2.25 | 4 | C-16-4-ROUGH-X8 | 400344 | 400346 |